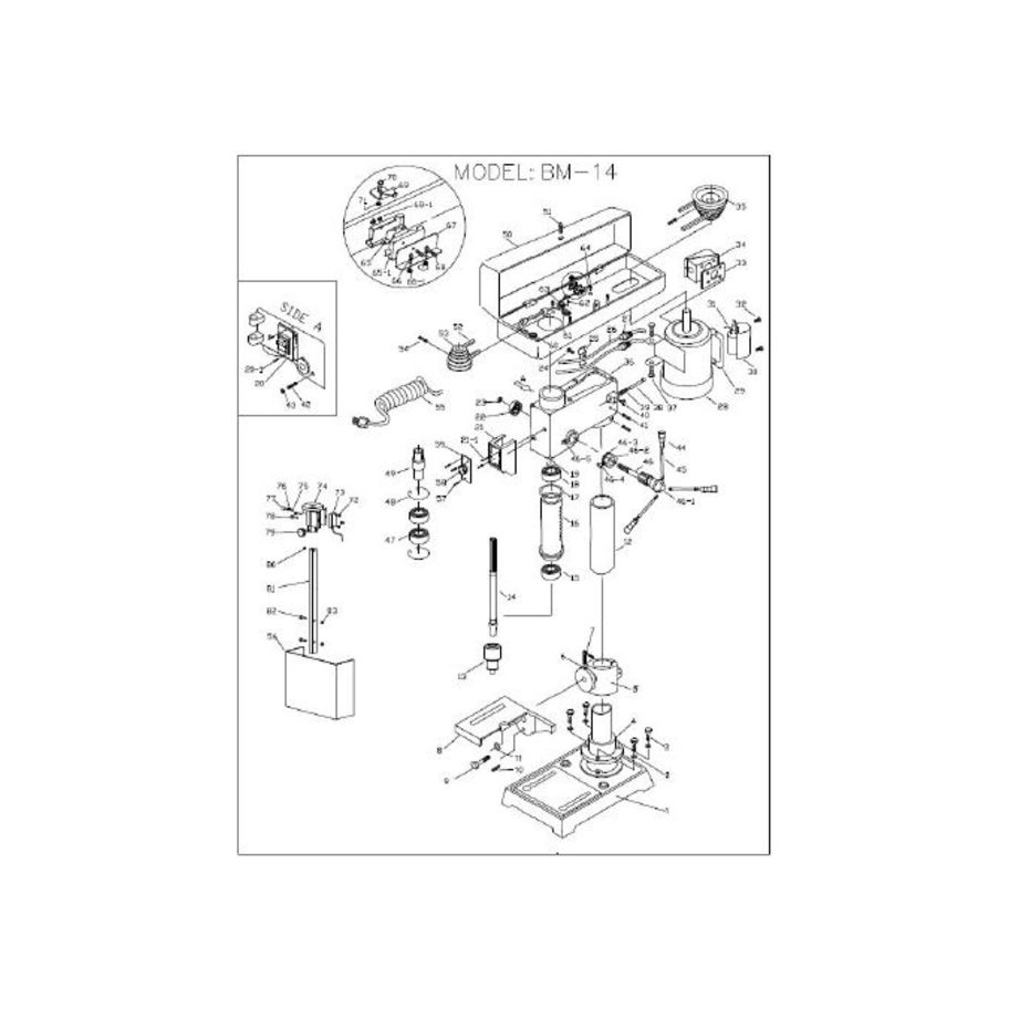
Die ALDURO Tischbohrmaschine ist die ideale Lösung für präzises Bohren in verschiedenen Materialien. Mit ihrer robusten Bauweise und benutzerfreundlichen Handhabung bietet sie sowohl Hobbyisten als auch Profis eine zuverlässige Leistung. Die Maschine verfügt über eine variable Drehzahlregelung, die es ermöglicht, die Geschwindigkeit an die jeweilige Anwendung anzupassen. Dank des stabilen Tischs und der exakten Höhenverstellung können Sie auch größere Werkstücke sicher bearbeiten. Die ALDURO Tischbohrmaschine ist somit ein unverzichtbares Werkzeug für jede Werkstatt, das Ihnen hilft, Ihre Projekte effizient und genau umzusetzen.